Сбросной клапан ПСК-25П-Н
Условный проход: 25 мм
Предел регулирования, кПа: 2,0-0,1 - 75,0+7,5
Пропускная способность: не менее 120 м3/ч
Материал корпуса: алюминий АК 7ч
Рабочая среда: природный газ ГОСТ 5542
Температура окружающей среды: от -40оС до +45оС
Масса изделия: 2,34 кг
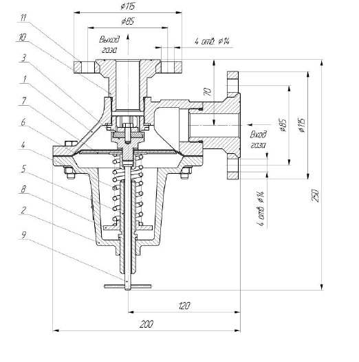
Принцип работы клапанов ПСК:
Газ от сети через входное отверстие корпуса входит в полость клапана.
При установившемся режиме контролируемое давление газа в установленных пределах уравновешивается настроенной пружиной, и клапан герметично закрыт.
Когда давление газа в сети (также и в полости клапана) превысит предел настройки, мембрана, преодолевая усилия пружины, опустится вместе с клапаном, открывая при этом выход газа в атмосферу через сбросной патрубок.
Сброс газа произойдет до снижения давления в сети ниже настроенного, после чего под действием пружины клапан закроется.
Для проверки работоспособности клапана следует потянуть за тягу механизма принудительного открытия. При этом клапан открывается. Операцию повторить 3 – 4 раза.









.jpg)
.jpg)
.jpg)
