ГСГО-М-03 с РДБК 1(1П)-50/35
| Контролируемая среда | Природный газ ГОСТ 5542 | ||||||
| Давление на входе в ГСГО, МПа | 1,2 | ||||||
| Давление газа на выходе из ГСГО, кПа | 40-60 | ||||||
| Диапазон настройки давления срабатывания сбросного клапана, МПа | 50-75 | ||||||
| Пределы настройки автоматического отключения подачи газа, МПа | |||||||
| при максимальном выходном давлении | 0,06-0,08 | ||||||
| при минимальном выходном давлении | 0,02 | ||||||
| Пропускная способность при работе одного регулятора давления (для газа = 0,73 кг/м3), м3/час, при давлении на входе | |||||||
| Р=0,1 МПа | 700 | ||||||
| Р=0,3 МПа | 1200 | ||||||
| Р=0,6 МПа | 2600 | ||||||
| Р=0,9 МПа | 4200 | ||||||
| Р=1,2 МПа | 5600 | ||||||
| Тепловая мощность обогревателя, Вт, при давлении 2000 Па, менее | 960 | ||||||
| Расход газа на обогреватель, м3/ч. при давлении 2000 Па, не более | 0,1 | ||||||
| Габаритные размеры, мм | |||||||
| длина | 1900 | ||||||
| ширина | 1150 | ||||||
| высота | 1300 | ||||||
| Масса, кг, не более | 535 | ||||||

Схема пневматическая функциональная ГСГО-М-03:
КН2, КН5 — кран входной; Ф1, Ф2 — фильтр; КП7, КП8 — клапан предохранительно-запорный; РД2, РД3 — регулятор давления газа; КН3, КН4 — выходной кран; КП3–КП6 — трехлинейные краны; М1, М2 — манометры; КП9 — сбросной клапан; КН7–КН17 — краны; ВН — вентиль; ОГ — обогреватели; РД1 — регулятор давления газа РДСГ1-1,2
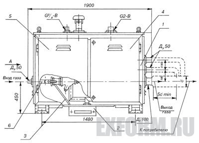
Габаритный чертеж ГСГО-М-03:1 — установка шкафная; 2 — обогреватель; 3 — газопровод; 4, 5 — дверки; 6 — оборудование технологическое
Газорегуляторный пункт ГСГО-М-03 представляет собой металлический шкаф с теплоизоляцией, в котором размещается технологическое оборудование. Доступ к технологическому оборудованию для его обслуживания обеспечивают две дверки шкафа. Обогреватель устанавливается по требованию, и обогревает ГСГО в холодное время года. Газ к пункту подводится горизонтально.
Технологическое газовое оборудование ГСГО состоит из двух линий редуцирования*: основной и резервной. Через кран КН2 или КН5 газ поступает к фильтру Ф1 или Ф2, очищается от механических примесей и поступает к клапану предохранительному запорному КП7 или КП8. Клапан запорный предназначен для автоматического прекращения подачи газа в случае повышения или понижения давления сверх установленного значения после регулятора РД2 или РД3. К регулятору давления газ поступает через клапан КП7 или КП8. Клапан служит для снижения давления и поддержания его в заданных пределах. Через кран КН3 или КН4 газ от регулятора давления поступает к потребителю.
Перепад давления до и после фильтра Ф1 или Ф2 определяется с помощью трехлинейных кранов КП3, КП4, КП5, КП6, которые также служат для присоединения дифманометра. Контроль давления в основной и резервной линиях осуществляется манометрами М1 и М2.
Для перекрытия линий редуцирования предназначены краны КН2, КН3, КН4, КН5. Для настройки клапанов КП7, КП8 на импульсных линиях установлены краны КН8, КН10. При ремонте клапанов КП7, КП8 для отключения импульсного газопровода служат краны КН7, КН9. Сбросной клапан КП9 осуществляет аварийный сброс газа. Порог срабатывания клапана сбросного настраивается с помощью крана КН11.
Для продувки участков газопроводов «на свечу» после первого отключающего устройства служат краны КН14, КН17. Поступление газа требуемого давления к обогревателю ОГ обеспечивают вентиль ВН и регулятор РД1.
* Смотри схемы изделия.
* Чтобы узнать цену изделий, необходимо оставить заявку на нашем сайте.
|
|










.jpg)
.jpg)
.jpg)
